1. Introduction
Humans have been pursuing light for a long time. From the discovery of the initial fire and learning to use it, to the electrical age, humans have successively invented incandescent lamps, fluorescent lamps, HID lamps and LED lamps. LED lights have developed rapidly in the more than 100 years since they were invented, and they are still the most widely used electric lights by humans. Today's LED lights have a significant energy saving effect, can be used for a long time, and can be used in a wide range, so it will be determined that there will be a larger market in the future.
The street light market is no exception. But nowadays, most of the use of LED is still the traditional way of use, that is, the user only realizes the simple operation of turning on and off the light through a switch. This is inconsistent with the gradual intelligentization and high-tech of people's lives in the future. In the use of street lights on the road, people need to make the functions of street lights more detailed and comprehensive. This can not only save energy, reduce electricity bills, maintenance and other expenses, but also bring better lighting experience to pedestrians and car drivers on the road. So I use the single chip microcomputer,in order to realize the expansion of the function of ordinary street lamps.Firstly, using energy-saving LED lamps to initially save energy, and at the same time, using pulse width modulation to control the duty cycle to adjust the actual average output power. The LED lights are used in combination with the infrared pulse transmitting and receiving device and the single-chip microcomputer, and finally the application on the mobile phone can control a series of operating parameters such as the lighting intensity, color, and fault information of the street light. My research is in line with the development trend of future street lights, can meet people's expectations for future cities to a certain extent, and even play a role in changing people's lifestyles.
2. Literature review
Today's street lamp control systems usually consume a lot of energy, have a strong penetration, but the actual lighting range is very small. One of the ways to solve this problem is to use advanced remote control systems, what is more, emerging technology of the Internet of Things is needed, in order to achieve real-time fault alarms for street lights, the location of street lights that show problems, the lighting range of control lights, the operation of mobile terminals, and so on. When building a smart street lamp control system, we should pay attention to two aspects. The first aspect is to be able to save resources, in this regard, we can use LED lights, since LED lights relative to other types of lights, in the same lighting effect, can save more electricity. At the same time, remote intelligent control can also make the street lamp only turn on the light when it is necessary to turn on the light, which reduces the cost of lighting; another aspect is to respond to unexpected situations in time. The unexpected situation here generally refers to the failure of the street lamp, or the street lamp is damaged by external forces and cannot continue to work, the system can respond quickly and give professionals the location of the street lamp, and even the cause of the failure, which can greatly reduce the time, manpower and financial costs (Boni Liu et al., 2022).
With the national government and the people's attention to the rational use of resources, and the gradual rise in labor prices in many places, the number of street lamps continues to increase, and the trend of smart street lamps being promoted is obvious. First of all, relying on a variety of new technologies, such as 5G Internet, Internet of Things, big data, so that the light has the function of automatically changing brightness and color, identifying the light environment around the street lamp; in addition, the technology of smart street lamps will be used in private places after maturity, and gradually accepted by the civilian market (Wei Zhang et al., 2021)
According to survey data, the electricity consumption used for road lighting in the country has increased year by year, and accounts for nearly 5% of the country's total power generation. A big reason for this is that due to the original road lighting method, the effect is not good, but it consumes a lot of electricity. It can be seen that the development of new energy lamps is the trend of the times, so that it does not affect the actual application, but also can achieve the purpose of green environmental protection. Among the many new energy lamps, solar LED lamps stand out because of their renewable energy, accessibility and other advantages. In addition, solar LED lights are basically a one-time investment, and will not incur additional electricity costs later, and subsequent maintenance is also very small. Especially for areas with plenty of sunshine and difficulties in using electricity, solar LED lights should be promoted (Jianjun Peng, 2021)
In the process of designing street lights, the following four principles should be paid attention to. The first is the principle of modularity, for the design of the street lamp product, need to have a strong adaptability, for different regions, we can use different functions in a targeted manner. The user needs to have a menu to independently select the required modules, according to the actual arrangement and placement of street lamps; the second is the standardization principle, the design and production of street lamps need to have a unified appearance and structure of the standard, unified standards can be carried out efficient assembly line production mode, but also to facilitate the reduction of maintenance costs after the third is the collaborative criterion, the value of smart street lights is not only reflected in the lighting, because of the extensiveness of its laying construction, it should also have the role of collecting information, After obtaining the required information, it is summarized and integrated to achieve the role of helping the government and other industries to work; finally, the principle of applicability, smart street lights will also have a revealing effect on many other aspects, such as stores, shopping mall signs, traffic signs, traffic lights and other aspects can be used (Yingyang Feng, 2021).
3. Methodology
3.1. General principles overview
The street light system designed in this article is mainly to achieve infrared wireless control, brightness adjustment, change the color temperature of the light source and other functions. When the wireless acceptance module in the system receives the infrared signal, the signal is processed accordingly and the internal related modules and devices are run, so as to achieve the corresponding lighting effect of the final LED lamp and achieve correct feedback. The design of this system has three main parts: wireless transmission, microcontroller, led lights.

Figure 1. System block diagram.
As can be seen from Figure 1, the input signal of the system is completed by the transmitting module and transmitted to the Micro Chip Unit (MCU) as the core component of the system, its function is to process and analyze the input signal, and then after screening, the Pulse Width Modulation (PWM) signal and the switch control signal are transmitted to the LED circuit, the LED light is composed of three colors of red, green and blue lights, and their state can change the state because of the change of the signal, so as to achieve the effect of controlling brightness, color temperature and so on.
3.2. The principle of led light
Led lamps are essentially the principle of using the electrons in semiconductors to be pushed by electric currents, so that electrons enter the p-zone, and the energy generated after compounding with holes is released in the form of light. The real use of p-n knots formed by p-type and n-type semiconductor materials is used to emit light.

Figure 2. LED lighting schematic.
As shown in figure 2, the specific process of producing light is as follows, in the process of work, it should be applied to the forward bias pressure, and when the p-n junction has no applied electric field, because the p-region semiconductor material has many holes, and the n region has multiple electrons, because of the free diffusion movement of the carrier, the part of the hole carrier in the p region diffuses to the n region, the same reason, the part of the electrons in the n region will also diffuse to the p region. And because the diffusion capacity is limited, most of the diffuse carriers stay near the sides of the junction area, and it is obvious that an internal field will be formed at this time. When a voltage is applied in the opposite direction of the built-in field as shown in the figure, it will gradually cancel out the effect of the built-in field and cause more holes to move to the n-region and the electrons to the p-region. The above-described moving carrier will be compounded with most of the carriers in this area, and the energy generated will make it emit light, which is the principle of LED lamp illumination.
3.3. PWM dimming principle
In the circuit design of this paper, the purpose of using PWM is mainly to reduce the power of the load and reduce the power consumption under the premise of fully combining the characteristics of the LED lamp and the human eye and not affecting its normal lighting effect. The full name for PWM is "Pulse Width Modulation", which is pulse width modulation. Pulse width modulated signal, is a square wave signal with a certain frequency, its period is fixed, its average power is determined by the proportion of duty cycle, the higher the duty cycle, the average voltage of the output will also increase accordingly, resulting in an increase in the average power of the output, then the power consumed will also become more. Secondly, it is very important that when the current through the LED changes, the lighting state of the LED lamp will also change. One of the most important changes is that the color will change, and the ability of our human eyes to feel different wavelengths of light is not the same, for example, we are more likely to see the light of long wavelengths, which is why the stop light of the traffic light is red. The modulation method of PWM will make the LED change the brightness without changing the wavelength of the light of the original illumination. At the same time, because the human eye can not feel the state of the constantly flashing lights reaching a certain frequency, so even if the LED lights are constantly switched on and off according to the frequency of the square wave signal, the human eye will feel that the lights have been in a stable lighting state, which will not affect our experience, but can achieve the effect of saving electricity.
3.4. Core control module
3.4.1. MCU. In this design, the single-chip microcomputer was selected as one of the cores of the control module, and the essence of the single-chip microcomputer is actually the computer, although its volume is small, but it has great functions. Since its invention, it has been applied to a large range. MCU will be all the functions concentrated on a small development board, there are many interfaces, can be connected to a variety of equipment or chips to achieve functional expansion, in this design is no exception, on the basis of the MCU connected to the infrared control module and LED lamp module.

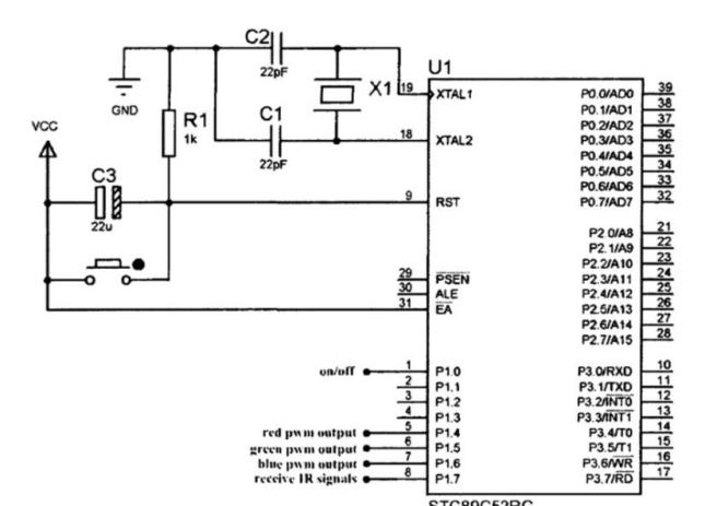
Figure 3. STC89C52pin diagram.

Figure 4. Main control circuit.
As shown in figure 3, it is a pin diagram of the MCU STC89C52, which has a timer/counter and an external interrupt, and has three operating modes, namely normal mode, power-down mode and idle mode.
As shown in figure 4, is the main control circuit in this design, p1.4, p1.5, p1.6 output PWM signal, directly connected to the LED light to make it blink, p1.7 accept infrared input signal. This makes it possible to connect the main three modules.
3.4.2. Infrared remote control. Infrared remote control, as the name suggests, by emitting infrared light to certain devices to obtain the role of remote control. In this design, infrared rays are sent to the MCU and the MCU is allowed to process information. The use of infrared remote control can be seen everywhere in our lives, such as television, air conditioning remote control can bring us great convenience. When using infrared remote control, the advantage is that it is very easy to operate and difficult to be interfered with. For example, when remotely controlling a street lamp, it will not interfere with the street lights of other places. The infrared remote control in this production film can be controlled by the infrared emitter of the mobile phone. Nowadays, smart phones are developing rapidly, with high technology content and easy to carry, the infrared signal is stored in the software of the mobile phone, and the accurate remote control of the street lamp can be realized through the control and modulation of professionals.
3.5. Mobile app design
Before that, the design of hardware circuit needs to design the mobile phone app using it. In this software design process, we need to pay attention to the following points: first, it can have the function of sending infrared signals. The mobile phone app triggers the mobile phone to send mobile phone signals to the street lamps. After the single chip microcomputer in the street lamps receives the signals, it processes the information to make the street lamps adjust the lighting; In addition, the mobile app needs to be simple and easy to operate, which can reduce the training cost of professionals; Finally, it is also very important that this special app can not be downloaded at will. It can only be downloaded and used with some permission. Otherwise, some irrelevant personnel will take advantage of this convenience to do some pranks or even illegal things, which will have a bad impact on urban order.
4. Results

Figure 5. Infrared control app interface.
As shown in figure 5, this is the designed mobile phone software interface. The functions corresponding to all buttons are received by sending infrared rays to the MCU and then realize the functions. In the control interface of this app, the upper left corner is the switch button, and below are the red, green and blue light switches, and then the color temperature adjustment and brightness adjustment. However, for the control of street lights, it may be necessary to add a GPS positioning system to achieve the purpose of precise positioning, and it should also have the ability to control a large number of street lights at the same time.

Figure 6. Waveform changes before and after switching.
As shown in figure 6, it is the change of the square wave before and after the switch is turned on. As mentioned above, PWM is a waveform, so before the switch is closed, the LED light has no waveform. After the switch is closed, such a square wave is formed.

Figure 7. Brightness adjustment waveform change.
As shown in figure 7, after changing the color of light, the frequency of light is different because of the different wavelengths of the spectrum. The longer the wavelength, the lower the frequency, and vice versa. Thus, we can see that the frequency of the square wave is changing when changing the color of different light.

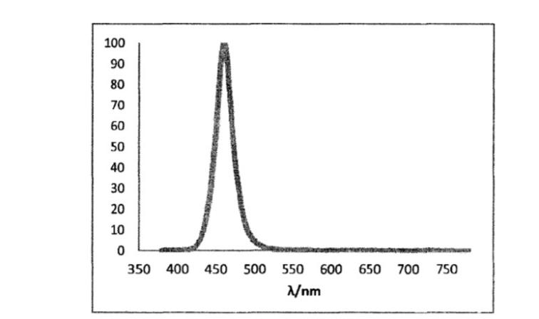
Figure 8. Relative spectral power distribution of red light.
The wavelengths of different colors of light are tested as follows:

Figure 9. Relative spectral power distribution of green light.
As shown in figure8, this is the spectrum of the red light test. The peak is between 600nm and 650nm, which is obviously in line with the red spectral wavelength range. At this time, the input power is 0.74w, and the luminous flux is 30.2lm.
Similarly, as shown in figure9, this is the spectrum of the test green light, whose wavelength range is about 470nm to 570nm, which also conforms to the wavelength range of green light. The input power is 1.15w and the luminous flux is 93.3lm.

Figure 1. Relative spectral power distribution of blue light.
Then there is the spectrum of the blue light test like figure 10, whose wavelength range is about 420nm to 520nm, which is also in line with the wavelength range of blue light. At this time, the input power is 1.06w and the luminous flux is 28.2lm.
5. Discussion
This post has been done with my reference and input from many other papers and other products. This article mainly designs a led light that can be controlled by remote infrared. The feature of this light is that it can be easily controlled by the downloaded app on the mobile phone, which is very convenient and easy to use. But I think my design still has a lot of room for improvement, such as generating electricity from solar energy that I mentioned earlier. One of the big goals of the product designed this time is to save energy, although PWM can save energy to a certain extent, which is the reason why led lights save electricity. But I think the best way to save energy at the source is to use solar energy. The use of street lamps is mostly used outdoors, which means that street lamps have a very convenient way to obtain solar energy. Street lights can harvest solar energy during the day and store the converted electricity in batteries, and then use the stored electricity at night when the light is dim. In some cases, if there is no need for special operations on street lights, street lights that automatically switch on and off can be designed through the characteristics of photoresistance. Of course, the premise is that enough electricity has been stored during the day to supply the use of the whole night. Secondly, I think the data of the position of the street light is very important, but this function cannot be reflected in the app I designed. Maybe in the future development, I can add this function to the street light.
6. Conclusion
In this design, the product is divided into three modules, namely infrared control, single-chip microcomputer and led light, combined with the designed mobile app, software and hardware to achieve the control of the light, which brings us convenience and saves money. resource. Among them, app control is the most important point in my opinion, because everyone has a mobile phone now, and almost everyone uses a smartphone. The control of mobile app is very helpful to reduce the training pressure of professionals, and it can also reduce the workload of related personnel, to some extent, it may also reduce certain labor costs. Secondly, what I want to mention most is the use of single-chip microcomputer in the core control module. The single-chip microcomputer has the characteristics of small size and multiple functions. At the same time, it also has many I/O interfaces, which is conducive to future function expansion. In the subsequent development and research, if the use of solar energy to convert into electric energy for lighting is realized, it will be another great progress.
References
[1]. Boni Liu, B et al (2022). Research on Intelligent Solar LED Street Light Control System
[2]. Wei Zhang, B et al (2021). Intelligent Street Lamp Intelligent Control System
[3]. Jianjun Peng, B( 2021). Design and Application of Solar LED Street Light System
[4]. Yingyang Feng, B (2021). Multi-Functional Intelligent Street Lamp Design Research
[5]. Zhaoxian Zeng, B et al (2021). Research and Application of an Experimental Training Platform for LED Display Principle
[6]. Min Tang, B (2011). Design of Infrared Remote Control Based on Single Chip Microcomputer.
[7]. Jing Chang, B et al( 2013). Design of Electric Lamp Control Device for Energy-Saving and Automatic Power-off
[8]. Hao Wang, B (2013). Research on the Technology and Method of Traffic Signal Recognition
Cite this article
Bao,Z. (2023). Realization of Wireless Remote Control Intelligent Street Lamp by Single Chip Microcomputer. Theoretical and Natural Science,2,148-156.
Data availability
The datasets used and/or analyzed during the current study will be available from the authors upon reasonable request.
Disclaimer/Publisher's Note
The statements, opinions and data contained in all publications are solely those of the individual author(s) and contributor(s) and not of EWA Publishing and/or the editor(s). EWA Publishing and/or the editor(s) disclaim responsibility for any injury to people or property resulting from any ideas, methods, instructions or products referred to in the content.
About volume
Volume title: Proceedings of the International Conference on Computing Innovation and Applied Physics (CONF-CIAP 2022)
                        © 2024 by the author(s). Licensee EWA Publishing, Oxford, UK. This article is an open access article distributed under the terms and
                        conditions of the Creative Commons Attribution (CC BY) license. Authors who
                        publish this series agree to the following terms:
                        1. Authors retain copyright and grant the series right of first publication with the work simultaneously licensed under a Creative Commons
                        Attribution License that allows others to share the work with an acknowledgment of the work's authorship and initial publication in this
                        series.
                        2. Authors are able to enter into separate, additional contractual arrangements for the non-exclusive distribution of the series's published
                        version of the work (e.g., post it to an institutional repository or publish it in a book), with an acknowledgment of its initial
                        publication in this series.
                        3. Authors are permitted and encouraged to post their work online (e.g., in institutional repositories or on their website) prior to and
                        during the submission process, as it can lead to productive exchanges, as well as earlier and greater citation of published work (See
                        Open access policy for details).
                    
References
[1]. Boni Liu, B et al (2022). Research on Intelligent Solar LED Street Light Control System
[2]. Wei Zhang, B et al (2021). Intelligent Street Lamp Intelligent Control System
[3]. Jianjun Peng, B( 2021). Design and Application of Solar LED Street Light System
[4]. Yingyang Feng, B (2021). Multi-Functional Intelligent Street Lamp Design Research
[5]. Zhaoxian Zeng, B et al (2021). Research and Application of an Experimental Training Platform for LED Display Principle
[6]. Min Tang, B (2011). Design of Infrared Remote Control Based on Single Chip Microcomputer.
[7]. Jing Chang, B et al( 2013). Design of Electric Lamp Control Device for Energy-Saving and Automatic Power-off
[8]. Hao Wang, B (2013). Research on the Technology and Method of Traffic Signal Recognition
 
                        